Чтобы получить консультацию, узнать цены, позвоните по единому бесплатному номеру 8-800-250-49-45 (круглосуточно), напишите нам на info@nwc-g.com или закажите обратный звонок и мы перезвоним в удобное для Вас время.
Гарантия на все оборудование 5 лет. Срок службы более 50 лет.
ООО “Национальная Водная Компания” является заводом производителем и предлагает приобрести оборудование без переплаты. Наши специалисты сделают расчет в соответствии со всеми действующими нормами. Мы готовы разработать под Ваши требования индивидуальный проект станций.
Чтобы получить консультацию, узнать цены, позвоните по единому бесплатному номеру 8-800-250-49-45 (круглосуточно), напишите нам на info@nwc-g.com или закажите обратный звонок и мы перезвоним в удобное для Вас время.
Скачайте и заполните опросный лист, отправьте его на почту info@nwc-g.com.
Если у вас возникли трудности или вы не хотите заполнять опросный лист, свяжитесь с нами любым удобным для вас способом, мы обработаем Вашу заявку в кратчайшие сроки!
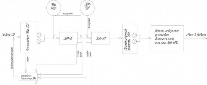
Стоки, поступающие с предприятия, сначала подвергаются механической очистке. В которой применяют сороулавливающие корзины, емкости-отстойники, песколовки и флотационные установки. Затем стоки подвергаются биологической очистки. Сначала стоки поступают в аэротенк, далее в блоки доочистки и УФ-обеззараживание. Только после этого очищенные стоки разрешается сбрасывать в водоемы или городские системы канализации.

Рассмотрим очистку стоков сельского хозяйства на примере консервных заводов.
Комплексы по переработке фруктов и овощей работают сезонно. Состав загрязненных сточных вод зависит от перерабатываемого продукта. В стоках содержатся остатки культур, соки овощей, частицы почвы, а также антисептики. Стоки можно разделить на два типа: производственные и хозяйственно-бытовые. Очищать их можно либо по отдельности, либо вместе.