Чтобы получить консультацию, узнать цены, позвоните по единому бесплатному номеру 8-800-250-49-45 (круглосуточно), напишите нам на info@nwc-g.com или закажите обратный звонок и мы перезвоним в удобное для Вас время.
Преимущества
Гарантия на все оборудование 5 лет. Срок службы более 50 лет.
ООО “Национальная Водная Компания” является заводом производителем и предлагает приобрести оборудование без переплаты. Наши специалисты сделают расчет в соответствии со всеми действующими нормами. Мы готовы разработать под Ваши требования индивидуальный проект станций.
Чтобы получить консультацию, узнать цены, позвоните по единому бесплатному номеру 8-800-250-49-45 (круглосуточно), напишите нам на info@nwc-g.com или закажите обратный звонок и мы перезвоним в удобное для Вас время.
Скачайте и заполните опросный лист, отправьте его на почту info@nwc-g.com.
Если у вас возникли трудности или вы не хотите заполнять опросный лист, свяжитесь с нами любым удобным для вас способом, мы обработаем Вашу заявку в кратчайшие сроки!
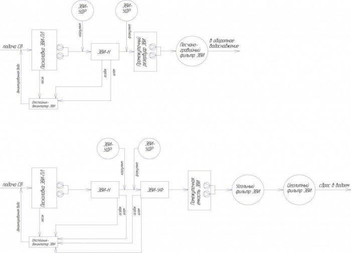
Для сброса сточных вод на заводах предусмотрено две канализационные системы.
В первую систему поступают ливневые и производственные сточные воды. После очистки возможно применение таких вод в циклах оборотного водоснабжения.
Во вторую поступают сточные воды, содержащие нефтепродукты, органические вещества, соли и реагенты.
Очистка стоков подразумевает удаление нефтепродуктов из производственных стоков, их глубокую обработку и доочистку.
Стоки, поступающие с предприятия, сначала подвергаются механической очистке.
Для этого применяют сороулавливающие корзины, емкостиотстойники, песколовки,
нефтеуловители и флотационные установки. Затем стоки подвергаются биологической очистки. Сначала стоки поступают в аэротенк и далее в блоки доочистки и УФ-обеззараживание. Только после этого очищенные стоки разрешается сбрасывать в водоемы.

Нефтеперерабатывающие комплексы потребляют большой объем технической воды на переработку нефтепродуктов. В составе сточных вод присутствуют различные химикаты, нефтепродукты, сульфаты, различные масла и т.д.
Очистка позволяет привести состав стоков до разрешенных для отвода параметров.